Speichern
Abbrechen
Groß-/Kleinschreibung wird ignoriert
Phrasensuche: "Diese Phrase suchen"
Platzhalter für ein Zeichen: Suchb?griff
Platzhalter für viele Zeichen: Suchbegr*
Logische Verknüpfungen: UND ODER ....
Ausschluss von Wort2: Wort1 -Wort2
Definierter Abstand: "Wort1 Wort2"~5
Registrieren
Anmelden
Deutsch
English
Français
Favoriten
...
Maschinenautomation
Kälte- und Gebäudeleittechnik
/
E*LDS-System
Virtus Caelum Apps
Virtus Tectum Grid
Systemzentrale & Bedienterminal
Verbundsteuerungen
Kühlstellenregler
Temperaturanzeigen &
Bediengeräte
Wärmerückgewinnung / Gebäudeautomatisierung / Sonderfunktionen
PC-Software LDSWin
Empfangsmodul & Funksensoren
Gateways
Elektrokonstruktion
FAQ E*LDS
E*LDS erklärt sich selbst
LDSWeb
E°EDP Offline-Archiv
Abgekündigte Produkte
E*LDS
Schulung
/
E*LDS Schulungsprogramm
E*LDS Grundlagen, Sicherheitshinweise, CAN-Bus & Modbus - Betriebsanleitung
E*LDS Booklet - Know-How Compact
CAN-Bus in der Anwendung
Virtus 5-Reihe Betriebsanleitung
UA 400 E / UA 401 E / UA 410 E Betriebsanleitung
VS 3010 Betriebsanleitung
VS 300 Betriebsanleitung
TS 30 W / TS 30 XW / WR 300
Betriebsanleitung
VS 3015 CT Betriebsanleitung
Versionieren
Ersetzen
VS 3015 CT Betriebsanleitung
(S. 1/243)
Weitere Angaben
VS 3015 CT Betriebsanleitung
(S. 1/243)
Weitere Angaben
VS 3015 CT Betriebsanleitung
(S. 1/243)
Weitere Angaben
Info
1
2
3
4
5
6
7
8
9
10
11
12
13
14
15
16
17
18
19
20
21
22
23
24
25
26
27
28
29
30
31
32
33
34
35
36
37
38
39
40
41
42
43
44
45
46
47
48
49
50
51
52
53
54
55
56
57
58
59
60
61
62
63
64
65
66
67
68
69
70
71
72
73
74
75
76
77
78
79
80
81
82
83
84
85
86
87
88
89
90
91
92
93
94
95
96
97
98
99
100
101
102
103
104
105
106
107
108
109
110
111
112
113
114
115
116
117
118
119
120
121
122
123
124
125
126
127
128
129
130
131
132
133
134
135
136
137
138
139
140
141
142
143
144
145
146
147
148
149
150
151
152
153
154
155
156
157
158
159
160
161
162
163
164
165
166
167
168
169
170
171
172
173
174
175
176
177
178
179
180
181
182
183
184
185
186
187
188
189
190
191
192
193
194
195
196
197
198
199
200
201
202
203
204
205
206
207
208
209
210
211
212
213
214
215
216
217
218
219
220
221
222
223
224
225
226
227
228
229
230
231
232
233
234
235
236
237
238
239
240
241
242
243
Das Dokument wird geladen...
1
2
3
4
5
6
7
8
9
10
11
12
13
14
15
16
17
18
19
20
21
22
23
24
25
26
27
28
29
30
31
32
33
34
35
36
37
38
39
40
41
42
43
44
45
46
47
48
49
50
51
52
53
54
55
56
57
58
59
60
61
62
63
64
65
66
67
68
69
70
71
72
73
74
75
76
77
78
79
80
81
82
83
84
85
86
87
88
89
90
91
92
93
94
95
96
97
98
99
100
101
102
103
104
105
106
107
108
109
110
111
112
113
114
115
116
117
118
119
120
121
122
123
124
125
126
127
128
129
130
131
132
133
134
135
136
137
138
139
140
141
142
143
144
145
146
147
148
149
150
151
152
153
154
155
156
157
158
159
160
161
162
163
164
165
166
167
168
169
170
171
172
173
174
175
176
177
178
179
180
181
182
183
184
185
186
187
188
189
190
191
192
193
194
195
196
197
198
199
200
201
202
203
204
205
206
207
208
209
210
211
212
213
214
215
216
217
218
219
220
221
222
223
224
225
226
227
228
229
230
231
232
233
234
235
236
237
238
239
240
241
242
243
Groß-/Kleinschreibung wird ignoriert
Phrasensuche: "Diese Phrase suchen"
Platzhalter für ein Zeichen: Suchb?griff
Platzhalter für viele Zeichen: Suchbegr*
Logische Verknüpfungen: UND ODER ....
Ausschluss von Wort2: Wort1 -Wort2
Definierter Abstand: "Wort1 Wort2"~5
Inhaltsverzeichnis
Konventionen
Verwendete Warnzeichen, Symbole und Textkennzeichnungen
Erläuterung von Textkennzeichnungen
Sicherheitshinweise
Haftungsausschluss bei Nichtbeachtung
Personelle Voraussetzungen, Anforderungen an das Personal
Bestimmungsgemäßer Gebrauch
Fünf Sicherheitsregeln nach DGUV Vorschrift 3
Elektrostatisch gefährdete Bauelemente und Baugruppen (EGB)
EGB - Richtlinien zur Handhabung
Verwendete Abkürzungen
Systemaufbau VS 3015 CT
Aufgaben VS 3015 CT
Funktion VS 3015 CT
Anlaufverhalten
Erstanlauf
Wiederanlauf
Anlagenkonfiguration
Konfiguration der Drucktransmitter
Niederdruck-Transmitter Z2 (ND-Z2)
Regelung Niederdruck
Regelalgorithmus ND-Regelung
Regelalgorithmus mit ND-Schrittregler
Neutrale Zone bei Verdichter-Schrittregelung
Verdichter-Schaltzeiten bei Verdichter-Schrittregelung
Regelalgorithmus mit ND-Kombiregler
Zu-/Abschalten von Festnetzverdichtern
Zu-/Abschalten v. Festnetzverdichtern b. Betrieb m. leistungsger. Verd.
Neutrale Zone bei Verdichter-Kombiregelung
Verdichter-Schaltzeiten bei Verdichter-Kombiregelung
Regelung eine Verbundes mit unterschiedlich großen Verdichtern
Sollwertschiebung
Sollwertschiebung über Raumtemperatur
Sollwertschiebung - Bedarfsabhängig über Verbraucher
Sollwertschiebung über CAN-Bus
Sollwertschiebung über externes Analog-Signal
Sollwertschiebung über Feuchtesensor
Grundlastumschaltung
Grundlastumschaltung bei drehzahlgeregelten Verdichtern
Lastabwurf
Notstrombetrieb
Regelung Hochdruck
Regelalgorithmus HD-Regelung
Neutrale Zone HD-Regelung
Sollwertermittlung Hochdruck
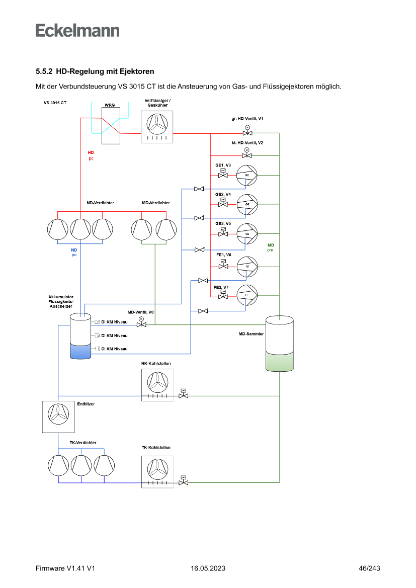
HD-Regelung mit Ejektoren
Zu- und Abschaltverhalten der Ejektoren
Regelung Gaskühleraustrittstemperatur
Gaskühleransteuerung über Relaisausgänge
Gaskühlerpaket mit ebm-papst Lüftern
Temperaturfühler für die Regelung
Neutrale Zone Lüftersteuerung
Regelalgorithmus tG mit Schrittregler
Schaltzeiten für Lüftermotoren mit Schrittregler
Lüftermotoren - Stern-Dreieck-Umschaltung
Parametrierung der Schaltarten
Regelalgorithmus tG mit Drehzahlregelung
Regelalgorithmus tG mit Kombiregler parallel
Regelalgorithmus tG mit Kombiregler stufig
Sollwertermittlung tG
Sollwertanhebung tG
Stellsignal für Frequenzumrichter
Schutz der Lüftermotoren / Grundlastumschaltung Lüftermotoren
Kickstart
Regelung Mitteldruck
Regelalgorithmus MD-Regelung
Mitteldruckhaltung durch die Begrenzung des HD-Ventils
Mitteldruck-Verdichter
Voraussetzungen
Ansteuerung der MD-Verdichter
Überwachung der MD-Verdichter
Parametrierung der MD-Verdichter
Regelung der minimalen Überhitzung durch ein Heißgas-Bypass-Ventil
Wärmerückgewinnungs-Betrieb
Aktivierung des WRG-Betrieb
Pendelschutz WRG-Betrieb
Sollwertermittlung im WRG-Betrieb
Änderung des Regelverhaltens im WRG-Betrieb
Parametrierung WRG-Betrieb
TK-Verdichter im Boosterbetrieb
Ansteuerung der TK-Verdichter bei Kombiregelung
Schalt- und Standzeiten TK-Verdichter
Überwachung TK-Verdichter
Ölrückführung
Überwachung
Sicherheitskette
Überwachung Öldifferenzdruckschalter / HD-Begrenzer Verdichter
Überwachung Motorschutzschalter Verdichter
Überwachung Zylinderkopftemperatur
Überwachung Niederdruck
Überwachung Hochdruck
Überwachung HD zu hoch
Überwachung HD zu tief
Überwachung HD-Ventil
Überwachung HD-Regelabweichung
Überwachung Mitteldruck
Überwachung MD zu hoch
Überwachung MD zu tief
Überwachung MD-Regelabweichung
Überwachung Drehzahlsteller
Überwachung Verflüssiger-/Ventilatormotoren
Überwachung minimale Überhitzung
Überwachung Gaskühleraustrittstemperatur
Überwachung Schalthäufigkeit
Überwachung Kältemittel
Überwachung Schnellrücklauf / Extern Aus
Überwachung Berstplatte / maximaler Kältemittel-Füllstand
Überwachung Akkumulator Füllstand
Überwachung Ölstand
Sollwertumschaltung
Umgebungsdaten zur Sollwertschiebung
Verbrauchersperre
Steuerung Spray-System
COP
COP-Monitoring
COP-Optimierung
Betriebsdaten und Archivierung
Betriebsstunden von Verdichtern und Lüftern
Tägliche Laufzeiten, Schaltimpulse und Einschaltquoten
Installation und Inbetriebnahme VS 3015 CT
Hutschienenmontage
Grundeinstellung der Hardware
Erweiterungsmodul SIOX - zur Hutschienenmontage
Anbindung der SIOX-Module an die Verbundsteuerung
Grundeinstellungen mit S1
Einstellung der CAN-Bus-Adresse mit S2
Einstellung der Schnittstelle RS485/TTY über Jumper J1
Einstellung der Schnittstelle der internen SIOX über Jumper J2
Konfiguration der analogen Ein- und Ausgänge ab Werk
Spannungsversorgung
Status-LEDs
Grundeinstellung der Parameter
Inbetriebnahme von drehzahlgeregelten Verflüssigerlüftern / Verdichtern
Vorgehen bei der Inbetriebnahme einer Anlage
Inbetriebnahme Lüftersteuerung per Modbus
Batteriewechsel
Firmware-Update
Voraussetzungen für ein Firmware-Update
Update der aktuellen Firmware
Anschluss- und Klemmenbelegung VS 3015 CT
Anschlussbelegung Grundmodul VS 3015 CT / SIOX (oben)
Klemmenpläne Grundmodul und SIOX
Belegung der Spannungsversorgung 230 V AC
Belegung der Digitaleingänge 230 V AC
Belegung der Relaisausgänge 230 V AC
Belegung der Analogeingänge
Belegung der Analogausgänge
Belegung CAN-Bus, SIOX und Schnittstellen
Belegung des Modbus-Analogmoduls 0..10 V DC
Belegung des Modbus-Relaismoduls 230 V AC
Betriebsarten VS 3015 CT
Notbetrieb Hand-/Automatik-Umschaltung
Service-Mode
Anzeige der Betriebszustände
Bedienung VS 3015 CT
Möglichkeiten der Bedienung
Fernbedienung über ein Terminal
Menüs und Bedienmasken
Reglermenü über die Fernbedienung aufrufen
Systemzentrale CI 4x00 - Fernbedienung
Marktrechner CI 3x00 / Bedienterminal AL 300 - Fernbedienung
Verriegelung der Eingabe aufheben
Systemzentrale CI 4x00 - An- und Abmeldung
Marktrechner CI 3x00 / Bedienterminal AL 300 - Entriegelung
Service-Mode / Service-Modus aktivieren
Systemzentrale CI 4x00 Service-Mode
Marktrechner CI 3x00 - Service-Mode
Menüstruktur VS 3015 CT
Menübaum
Menü 0 Hauptmenü
Menü 1 Übersicht
Menü 2 Istwerte
Menü 3 Sollwerte
Menü 4 Uhr
Menü 5 Meldungen
Menü 6 Betriebsdaten
Menü 7 Grundeinstellungen
Menü 8 Service Mode
Außerbetriebnahme und Entsorgung
Außerbetriebnahme / Demontage
Entsorgung
Alarme und Meldungen VS 3015 CT
Meldesystem
Aufbau der Meldungen
Automatische Priorisierung
Übersicht aller Alarme und Meldungen
Technische Daten VS 3015 CT
Elektrische Daten VS 3015 CT
Mechanische Daten VS 3015 CT
Artikel-Nummern und Zubehör VS 3015 CT
Verbundsteuerung VS 3015 CT / Erweiterungsmodul SIOX
Zubehör für VS 3015 CT
Versionen
VS 3015 CT Betriebsanleitung - 16.05.2023 13:38 Uhr
VS 3015 CT Betriebsanleitung
VS 3015 CT Operating instruction - 16.05.2023 13:38 Uhr
VS 3015 CT Betriebsanleitung
Notice d'instructions VS 3015 CT - 16.05.2023 13:38 Uhr
VS 3015 CT Betriebsanleitung
Erweiterte Optionen anzeigen
Auf Vorschauseite im EDP verlinken
Direkt auf die Datei verlinken
Spracheinstellung des Benutzers (Browsereinstellung)
Englisch
Deutsch
Französisch
Neuste Version
:
VS 3015 CT ­Betriebsanleitung
:
VS 3015 CT Operating instruction
:
Notice d'instructions VS 3015 CT
Dieser QR-Code verweist auf den angezeigten Permanenten Link.
Metadaten einlesen
Seiten-Vorschaubilder generieren
Verlinkungen generieren
Indexieren
Benachrichtigung nochmal versenden
Einen oder mehrere Benutzer angeben
Einer Gruppe Rechte zuweisen
Interessent
Kunde
Intern
Adressaten über Rechtevergabe benachrichtigen?
Kopie der Benachrichtigungen an mich senden
Teilen
Rechte vergeben