Speichern
Abbrechen
Groß-/Kleinschreibung wird ignoriert
Phrasensuche: "Diese Phrase suchen"
Platzhalter für ein Zeichen: Suchb?griff
Platzhalter für viele Zeichen: Suchbegr*
Logische Verknüpfungen: UND ODER ....
Ausschluss von Wort2: Wort1 -Wort2
Definierter Abstand: "Wort1 Wort2"~5
Registrieren
Anmelden
Deutsch
English
Français
Favoriten
...
Maschinenautomation
Kälte- und Gebäudeleittechnik
/
E*LDS-System
Virtus Caelum Apps
Virtus Tectum Grid
Systemzentrale & Bedienterminal
Kühlstellenregler
Temperaturanzeigen &
Bediengeräte
Wärmerückgewinnung / Gebäudeautomatisierung / Sonderfunktionen
PC-Software LDSWin
Empfangsmodul & Funksensoren
Gateways
Elektrokonstruktion
FAQ E*LDS
E*LDS erklärt sich selbst
LDSWeb
E*LDS
Schulung
E°EDP Offline-Archiv
Abgekündigte Produkte
Verbundsteuerungen
/
Virtus LINE VPC 5000
ABGEKÜNDIGT - VS 300
ABGEKÜNDIGT - VS 3000-Reihe
VS 3010 x-Reihe
/
Erweiterungsmodul SIOX
VS 3010
VS 3010 CT
VS 3015 CT
FS 3010
VS 3010 C
VS 3015 C
CE Konformitätserklärung
VS 3010 BS
/
VS 3010 BS
Datenblatt
Versionshinweise VS 3010 BS V5.07
VS 3010 BS Kaskadensysteme
Handhabung COMBICON-Stecker
VS 3010 BS
Betriebsanleitung
Versionieren
Ersetzen
VS 3010 BS
Betriebsanleitung
(S. 2/184)
Weitere Angaben
VS 3010 BS
Betriebsanleitung
(S. 2/184)
Weitere Angaben
VS 3010 BS
Betriebsanleitung
(S. 2/184)
Weitere Angaben
Info
1
2
3
4
5
6
7
8
9
10
11
12
13
14
15
16
17
18
19
20
21
22
23
24
25
26
27
28
29
30
31
32
33
34
35
36
37
38
39
40
41
42
43
44
45
46
47
48
49
50
51
52
53
54
55
56
57
58
59
60
61
62
63
64
65
66
67
68
69
70
71
72
73
74
75
76
77
78
79
80
81
82
83
84
85
86
87
88
89
90
91
92
93
94
95
96
97
98
99
100
101
102
103
104
105
106
107
108
109
110
111
112
113
114
115
116
117
118
119
120
121
122
123
124
125
126
127
128
129
130
131
132
133
134
135
136
137
138
139
140
141
142
143
144
145
146
147
148
149
150
151
152
153
154
155
156
157
158
159
160
161
162
163
164
165
166
167
168
169
170
171
172
173
174
175
176
177
178
179
180
181
182
183
184
Das Dokument wird geladen...
1
2
3
4
5
6
7
8
9
10
11
12
13
14
15
16
17
18
19
20
21
22
23
24
25
26
27
28
29
30
31
32
33
34
35
36
37
38
39
40
41
42
43
44
45
46
47
48
49
50
51
52
53
54
55
56
57
58
59
60
61
62
63
64
65
66
67
68
69
70
71
72
73
74
75
76
77
78
79
80
81
82
83
84
85
86
87
88
89
90
91
92
93
94
95
96
97
98
99
100
101
102
103
104
105
106
107
108
109
110
111
112
113
114
115
116
117
118
119
120
121
122
123
124
125
126
127
128
129
130
131
132
133
134
135
136
137
138
139
140
141
142
143
144
145
146
147
148
149
150
151
152
153
154
155
156
157
158
159
160
161
162
163
164
165
166
167
168
169
170
171
172
173
174
175
176
177
178
179
180
181
182
183
184
Groß-/Kleinschreibung wird ignoriert
Phrasensuche: "Diese Phrase suchen"
Platzhalter für ein Zeichen: Suchb?griff
Platzhalter für viele Zeichen: Suchbegr*
Logische Verknüpfungen: UND ODER ....
Ausschluss von Wort2: Wort1 -Wort2
Definierter Abstand: "Wort1 Wort2"~5
Inhaltsverzeichnis
n
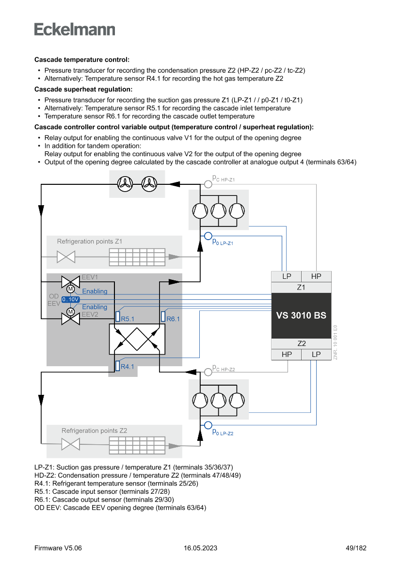
Parametrierung HD-Z2-Transmitterkennlinie
Erfassung Z2-Hochdrucks / Kältemittel Z2-Kreis
Regelalgorithmus Kaskadenregelung
Stetige Temperaturregelung mittels Kondensationstemperatur Z2
Stetige Überhitzungsregelung mittels Verdampfungstemperatur Z1
Ventil-Steuerung - Ausgabe des Öffnungsgrades
Ausgabe des Öffnungsgrades bei Ein-Ventil-Betrieb
Ausgabe des Öffnungsgrades bei Tandembetrieb
Begrenzung des Öffnungsgrades
Fester Öffnungsgrad für Servicezwecke
Notbetrieb
Handabschaltung
Verbrauchersperre Kaskade
Alarm wegen unplausiblen Öffnungsgrads
Ansteuerung der Kaskade durch einen Kühlstellenregler
Wärmerückgewinnungsbetrieb
Sollwertermittlung tc im WRG-Betrieb
Überwachung
Sicherheitskette
Überwachung Öldifferenzdruckschalter / HD-Begrenzer Verdichter
Überwachung Motorschutzschalter Verdichter
Zylinderkopftemperatur Verdichter Z1/Z2
Automatische Hochpriorisierung bei Verdichterstörung
Überwachung Drehzahlsteller Verdichter Z1/Z2
Überwachung Schalthäufigkeit
Überwachung Niederdruck Z1/Z2
Überwachung minimale Sauggasüberhitzung Z1/Z2
Überwachung tc/t0-Differenz
Überwachung Hochdruck
Überwachung Hochdruck im Satellit- oder Booster-Betrieb
Überwachung Hochdruck im Booster- oder Kaskaden-Betrieb
Absenkung der Verdichterdrehzahl bei HD zu hoch
Überwachung Motorschutzschalter Lüfter
Überwachung Drehzahlsteller Lüfter
Überwachung Fremdalarm
Überwachung Flüssigkeitsstand im Sammelbehälter
Überwachung Schnellrücklauf / Extern Aus
Überwachung Berstplatte
Sollwertumschaltung
Umgebungsdaten zur Sollwertschiebung
Verbrauchersperre
COP
COP-Optimierung
Betriebsdaten und Archivierung
Betriebsstunden von Verdichtern und Lüftern
Tägliche Laufzeiten, Schaltimpulse und Einschaltquoten
Istwertarchive zur grafischen Anzeige
Verbundkältesatz mit Ölausgleichsleitung
Druckgasabtauung
Parametrierung der Druckgasabtauung
Istwerte für die Druckgasabtauung
Handsteuerung der D2D
Verlauf der gemeinsamen Druckgasabtauung Z2
Verlauf der Druckgasabtauung von Z2-Möbeln
Verlauf der Druckgasabtauung von Z2-Räumen
Verlauf der Druckgasabtauung Z1
Verlauf der Druckgasabtauung Z2 bei eingestellter Abtauart "Räume - El. mit UA"
Druckgasabtauung im Fehlerfall
Installation und Inbetriebnahme VS 3010 BS
Hutschienenmontage
Grundeinstellung der Hardware
Erweiterungsmodul SIOX - zur Hutschienenmontage
Anbindung der SIOX-Module an die Verbundsteuerung
Grundeinstellungen mit S1
Einstellung der CAN-Bus-Adresse mit S2
Einstellung der Schnittstelle RS485/TTY über Jumper J1
Konfiguration der analogen Ein- und Ausgänge ab Werk
Spannungsversorgung
Status-LEDs
Grundeinstellung der Parameter
Inbetriebnahme von drehzahlgeregelten Verflüssigerlüftern / Verdichtern
Vorgehen bei der Inbetriebnahme einer Anlage
Batteriewechsel
Firmware-Update
Voraussetzungen für ein Firmware?Update
Update der aktuellen Firmware
Anschluss und Klemmbelegung VS 3010 BS
Anschlussbelegung Grundmodul VS 3010 BS / SIOX (oben)
Klemmenpläne Grundmodul und SIOX
Belegung der Spannungsversorgung 230 V AC
Belegung der Digitaleingänge - 230 V AC
Belegung der Relaisausgänge - 230 V AC
Belegung der Analogeingänge
Belegung der Analogausgänge
Belegung CAN-Bus, SIOX und Modbus
D2D - Erweiterungsmodul SIOX zur Druckgasabtauung
D2D - Belegung der 230 V AC - Digitaleingänge
D2D - Belegung der 230 V AC - Relaisausgänge
Betriebsarten VS 3010 BS
Notbetrieb Hand-/Automatik-Umschaltung
Service-Mode
Anzeige der Betriebszustände
Bedienung VS 3010 BS
Möglichkeiten der Bedienung
Fernbedienung über ein Terminal
Menüs und Bedienmasken
Reglermenü über die Fernbedienung aufrufen
Systemzentrale CI 4x00 - Fernbedienung
Marktrechner CI 3x00 / Bedienterminal AL 300 - Fernbedienung
Verriegelung der Eingabe aufheben
Systemzentrale - An- und Abmeldung
Marktrechner CI 3x00 / Bedienterminal AL 300 - Entriegelung
Service-Mode / Service-Modus aktivieren
Systemzentrale Service-Mode
Marktrechner CI 3x00 - Service-Mode
Menüstruktur VS 3010 BS
Menübaum
Hauptmenü
Menü 1 Übersicht
Menü 2 Istwerte
Menü 3 Sollwerte
Menü 4 Uhr
Menü 5 Meldungen
Menü 6 Betriebsdaten
Menü 7 Grundeinstellungen
Menü 8 Service Mode
Außerbetriebnahme und Entsorgung
Außerbetriebnahme / Demontage
Entsorgung
Alarme und Meldungen VS 3010 BS
Meldesystem
Aufbau der Meldungen
Automatische Priorisierung
Übersicht aller Alarme und Meldungen
Technische Daten VS 3010 BS
Elektrische Daten VS 3010 BS
Mechanische Daten VS 3010 BS
Artikel-Nummern und Zubehör VS 3010 BS
Verbundsteuerung VS 3010 BS / Erweiterungsmodul SIOX
Zubehör für VS 3010 BS
Versionen
VS 3010 BS
Betriebsanleitung - 16.05.2023 13:35 Uhr
VS 3010 BS Betriebsanleitung
VS 3010 BS
Operating instruction - 16.05.2023 13:35 Uhr
VS 3010 BS Betriebsanleitung
Notice d'instructions
VS 3010 BS - 16.05.2023 13:35 Uhr
VS 3010 BS Betriebsanleitung
Erweiterte Optionen anzeigen
Auf Vorschauseite im EDP verlinken
Direkt auf die Datei verlinken
Spracheinstellung des Benutzers (Browsereinstellung)
Englisch
Deutsch
Französisch
Neuste Version
:
VS 3010 BS<br />Betriebsanleitung
:
VS 3010 BS<br />Operating instruction
:
Notice d'instructions<br />VS 3010 BS
Dieser QR-Code verweist auf den angezeigten Permanenten Link.
Metadaten einlesen
Seiten-Vorschaubilder generieren
Verlinkungen generieren
Indexieren
Benachrichtigung nochmal versenden
Einen oder mehrere Benutzer angeben
Einer Gruppe Rechte zuweisen
Interessent
Kunde
Intern
Adressaten über Rechtevergabe benachrichtigen?
Kopie der Benachrichtigungen an mich senden
Teilen
Rechte vergeben