Speichern
Abbrechen
Upper/lower case is ignored
Phrase search: "search this phrase"
Placeholder for one token: Techno?ogy
Placeholder for multiple tokens: EXC*
Logical operators: AND OR ....
Exclusion: cnc -tools
Defined distance: "cnc steuerung"~5
Register
Login
Deutsch
English
Favorites
...
Refrigeration and Building Management Systems
Machine Automation
/
Control Systems
PC Systems
E°CUT
Trainings
Drive Technology
/
Servo drives
Motors
/
230 V motors
48 V motors
E°SCi motor
400 V motors
/
E°SM motors
E°SZ motors
E°SX motors
E°SL motors
/
E°SL motors: Technical catalogue
Versioning
Replace
E°SL motors: Technical catalogue
- January 2026
(P. 27/37)
More information
E°SL motors: Technical catalogue
- January 2026
(P. 27/37)
More information
Info
1
2
3
4
5
6
7
8
9
10
11
12
13
14
15
16
17
18
19
20
21
22
23
24
25
26
27
28
29
30
31
32
33
34
35
36
37
Document will be loaded...
1
2
3
4
5
6
7
8
9
10
11
12
13
14
15
16
17
18
19
20
21
22
23
24
25
26
27
28
29
30
31
32
33
34
35
36
37
Upper/lower case is ignored
Phrase search: "search this phrase"
Placeholder for one token: Techno?ogy
Placeholder for multiple tokens: EXC*
Logical operators: AND OR ....
Exclusion: cnc -tools
Defined distance: "cnc steuerung"~5
Table of Contents
1 About this document
1.1 About the product
1.1.1 Manufacturer and designations
1.1.2 Performance specification
1.1.3 Designation code for E°Motors
1.1.4 Overview of the motor series
1.2 Contents of this document
1.3 Target audience
1.4 Disclaimer of liability
1.5 Additional documents of reference
1.6 Standards compliance and conformity
1.6.1 EU declaration of conformity
1.6.2 UL listing and compliance
2 Technical data: E°SL motors
2.1 General technical data (E°SL motors)
2.2 E°SL-028…
2.2.1 Dimensions
2.2.2 Technical data
2.3 E°SL-036…
2.3.1 Dimensions
2.3.2 Technical data
2.4 E°SL-056…
2.4.1 Dimensions
2.4.2 Technical data
2.5 E°SL-063…
2.5.1 Dimensions
2.5.2 Technical data (E°SL-063-04.../-06...) . d ic ch ec e ec e e e
2.5.3 Technical data (E°SL-063-08.../-10...)
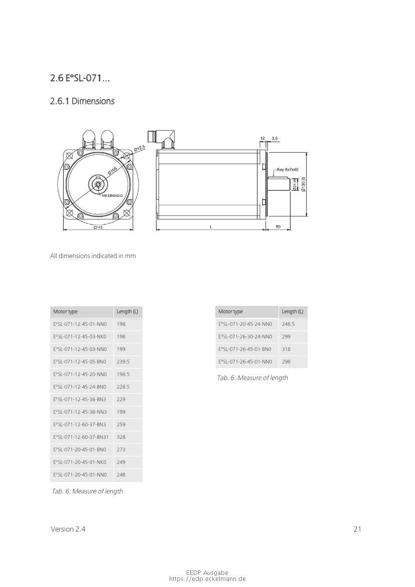
2.6 E°SL-071...
2.6.1 Dimensions
2.6.2 Technical data (E°SL-071-12.../-20...)
2.6.3 Technical data (E°SL-071-26...)
2.7 E°SL-100…
2.7.1 Dimensions
2.7.2 Technical data
3 Connections
3.1 Power connections
3.2 Feedback connections
4 Decommissioning and disposal
4.1 Disassembly
4.2 Disposal
Versions
E°SL-Motoren: Technischer Katalog - Januar 2026
E°SL motors: Technical catalogue - January 2026
Show advanced options
Link to preview page in EDP
Link to file directly
User language settings (browser settings)
German
English
Newest version
:
E°SL-Motoren: Technischer Katalog- Januar 2026
:
E°SL motors: Technical catalogue- January 2026
This qr-code refers to shown link.
Read metadata
Generate preview images of pages
Generate links
Update in search index
Benachrichtigung nochmal versenden
Enter one or more users
Grant rights to a group
Prospect
Customer
Internal
Notify users about additional grants?
Send copy of notifications to me
Share
Grant access