Speichern
Abbrechen
Upper/lower case is ignored
Phrase search: "search this phrase"
Placeholder for one token: Techno?ogy
Placeholder for multiple tokens: EXC*
Logical operators: AND OR ....
Exclusion: cnc -tools
Defined distance: "cnc steuerung"~5
Register
Login
Deutsch
English
Favorites
...
Refrigeration and Building Management Systems
Machine Automation
/
Control Systems
PC Systems
E°CUT
Trainings
Drive Technology
/
Servo drives
Motors
/
230 V motors
48 V motors
E°SCi motor
400 V motors
/
E°SM motors
E°SZ motors
E°SX motors
E°SL motors
/
E°SL-Motoren: Technischer Katalog
Versioning
Replace
E°SL-Motoren: Technischer Katalog
- Januar 2026
(P. 27/37)
More information
E°SL-Motoren: Technischer Katalog
- Januar 2026
(P. 27/37)
More information
Info
1
2
3
4
5
6
7
8
9
10
11
12
13
14
15
16
17
18
19
20
21
22
23
24
25
26
27
28
29
30
31
32
33
34
35
36
37
Document will be loaded...
1
2
3
4
5
6
7
8
9
10
11
12
13
14
15
16
17
18
19
20
21
22
23
24
25
26
27
28
29
30
31
32
33
34
35
36
37
Upper/lower case is ignored
Phrase search: "search this phrase"
Placeholder for one token: Techno?ogy
Placeholder for multiple tokens: EXC*
Logical operators: AND OR ....
Exclusion: cnc -tools
Defined distance: "cnc steuerung"~5
Table of Contents
1 Über dieses Dokument
1.1 Über das Produkt
1.1.1 Hersteller und Bezeichnung
1.1.2 Leistungsbeschreibung
1.1.3 Typenschlüssel für E°Motoren
1.1.4 Übersicht über die Motorserien
1.2 Inhalt
1.3 Zielgruppe
1.4 Haftungsausschluss
1.5 Bezug auf weitere Dokumente
1.6 Normen und Konformität
1.6.1 EU-Konformitätserklärung
1.6.2 UL-Listung und -Konformität
2 Technische Daten E°SL-Motoren
2.1 Allgemeine technische Daten (E°SL-Motoren)
2.2 E°SL-028…
2.2.1 Motormaße
2.2.2 Technische Daten
2.3 E°SL-036…
2.3.1 Motormaße
2.3.2 Technische Daten
2.4 E°SL-056…
2.4.1 Motormaße
2.4.2 Technische Daten
2.5 E°SL-063…
2.5.1 Motormaße
2.5.2 Technische Daten (E°SL-063-04.../-06...) te n he sc ni ch Te en n he en n
2.5.3 Technische Daten (E°SL-063-08.../-10...)
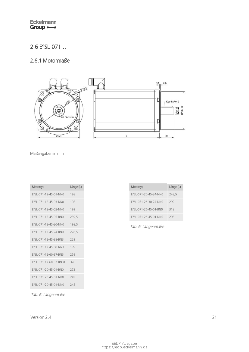
2.6 E°SL-071...
2.6.1 Motormaße
2.6.2 Technische Daten (E°SL-071-12.../-20...)
2.6.3 Technische Daten (E°SL-071-26...)
2.7 E°SL-100…
2.7.1 Motormaße
2.7.2 Technische Daten
3 Anschlüsse
3.1 Leistungsanschluss
3.2 Feedback-Anschluss
4 Außerbetriebnahme, Entsorgung
4.1 Demontage
4.2 Entsorgung
Versions
E°SL-Motoren: Technischer Katalog - Januar 2026
E°SL motors: Technical catalogue - January 2026
Show advanced options
Link to preview page in EDP
Link to file directly
User language settings (browser settings)
German
English
Newest version
:
E°SL-Motoren: Technischer Katalog- Januar 2026
:
E°SL motors: Technical catalogue- January 2026
This qr-code refers to shown link.
Read metadata
Generate preview images of pages
Generate links
Update in search index
Benachrichtigung nochmal versenden
Enter one or more users
Grant rights to a group
Prospect
Customer
Internal
Notify users about additional grants?
Send copy of notifications to me
Share
Grant access