Speichern
Abbrechen
Upper/lower case is ignored
Phrase search: "search this phrase"
Placeholder for one token: Techno?ogy
Placeholder for multiple tokens: EXC*
Logical operators: AND OR ....
Exclusion: cnc -tools
Defined distance: "cnc steuerung"~5
Register
Login
Deutsch
English
Favorites
...
Refrigeration and Building Management Systems
Machine Automation
/
Control Systems
PC Systems
E°CUT
Trainings
Drive Technology
/
Servo drives
Motors
/
Designation Code E°Motors
E°Motors: Technical catalogue
Versioning
Replace
E°Motors: Technical catalogue
- January 2026
(P. 55/132)
More information
E°Motors: Technical catalogue
- January 2026
(P. 55/132)
More information
Info
1
2
3
4
5
6
7
8
9
10
11
12
13
14
15
16
17
18
19
20
21
22
23
24
25
26
27
28
29
30
31
32
33
34
35
36
37
38
39
40
41
42
43
44
45
46
47
48
49
50
51
52
53
54
55
56
57
58
59
60
61
62
63
64
65
66
67
68
69
70
71
72
73
74
75
76
77
78
79
80
81
82
83
84
85
86
87
88
89
90
91
92
93
94
95
96
97
98
99
100
101
102
103
104
105
106
107
108
109
110
111
112
113
114
115
116
117
118
119
120
121
122
123
124
125
126
127
128
129
130
131
132
Document will be loaded...
1
2
3
4
5
6
7
8
9
10
11
12
13
14
15
16
17
18
19
20
21
22
23
24
25
26
27
28
29
30
31
32
33
34
35
36
37
38
39
40
41
42
43
44
45
46
47
48
49
50
51
52
53
54
55
56
57
58
59
60
61
62
63
64
65
66
67
68
69
70
71
72
73
74
75
76
77
78
79
80
81
82
83
84
85
86
87
88
89
90
91
92
93
94
95
96
97
98
99
100
101
102
103
104
105
106
107
108
109
110
111
112
113
114
115
116
117
118
119
120
121
122
123
124
125
126
127
128
129
130
131
132
Upper/lower case is ignored
Phrase search: "search this phrase"
Placeholder for one token: Techno?ogy
Placeholder for multiple tokens: EXC*
Logical operators: AND OR ....
Exclusion: cnc -tools
Defined distance: "cnc steuerung"~5
Table of Contents
1 About this document
1.1 About the product
1.1.1 Manufacturer and designations
1.1.2 Performance specification
1.1.3 Designation code for E°Motors
1.1.4 Overview of the motor series
1.2 Contents of this document
1.3 Target audience
1.4 Disclaimer of liability
1.5 Conventions
1.6 Explanation of warning statements
1.6.1 Structure
1.6.2 Warning signs
1.7 Additional documents of reference
1.8 Standards compliance and conformity
1.8.1 EU declaration of conformity
1.8.2 UL listing and compliance
2 Safety information and precautions
2.1 Intended use and operating conditions
2.1.1 Intended use
2.1.2 Ambient conditions
2.1.3 Information on cooling
2.2 Personnel qualification requirements
2.2.1 Qualified personnel
2.2.2 Special skills
2.3 General safety precautions and hazards
2.3.1 General safety precautions
2.3.2 How to behave in a dangerous situation
2.3.3 Safety rules for electric equipment
2.3.4 Specific hazards
2.3.5 In case of fire
3 Technical data: E°SL motors (400 V)
3.1 General technical data (E°SL motors)
3.2 E°SL-028…
3.2.1 Dimensions
3.2.2 Technical data
3.3 E°SL-036…
3.3.1 Dimensions
3.3.2 Technical data
3.4 E°SL-056…
3.4.1 Dimensions
3.4.2 Technical data
3.5 E°SL-063…
3.5.1 Dimensions
3.5.2 Technical data (E°SL-063-04.../-06...) . d ic ch ec e ec e e e
3.5.3 Technical data (E°SL-063-08.../-10...)
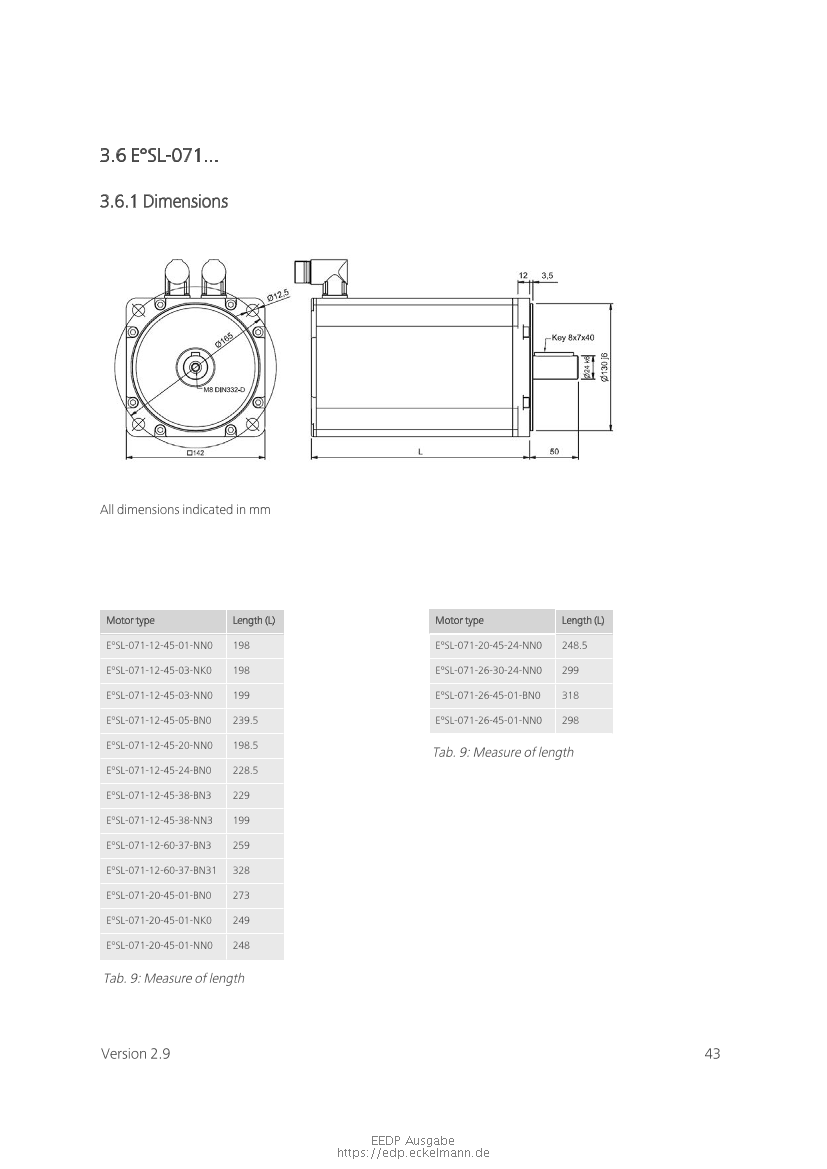
3.6 E°SL-071...
3.6.1 Dimensions
3.6.2 Technical data (E°SL-071-12.../-20...)
3.6.3 Technical data (E°SL-071-26...)
3.7 E°SL-100…
3.7.1 Dimensions
3.7.2 Technical data
4 Technical data: E°SM motors (400 V)
4.1 General technical data (E°SM motors)
4.2 E°SM-036…
4.2.1 Dimensions
4.2.2 Technical data
4.3 E°SM-056…
4.3.1 Dimensions
4.3.2 Technische Daten
4.4 E°SM-063…
4.4.1 Dimensions
4.4.2 Technical data
4.5 E°SM-071…
4.5.1 Dimensions
4.5.2 Technical data
4.6 E°SM-132…
4.6.1 Dimensions
4.6.2 Technical data
5 Technical data: E°SX motors (400 V)
5.1 General technical data (E°SX motors)
5.2 E°SX-063…
5.2.1 Dimensions
5.2.2 Technical data
6 Technical data: E°SY motors (400 V)
6.1 General technical data (E°SY motors)
6.2 E°SY-065…
6.2.1 Dimensions
6.2.2 Technical data
7 Technical data: E°SZ motors (400 V)
7.1 General technical data (E°SZ motors)
7.2 E°SZ-028...
7.2.1 Dimensions
7.2.2 Technical data
7.3 E°SZ-071...
7.3.1 Dimensions
7.3.2 Technical data
8 Technical data: E°SL3 motors (230 V)
8.1 General technical data (E°SL3 motors)
8.2 E°SL3-020…
8.2.1 Dimensions
8.2.2 Technical data
8.3 E°SL3-030…
8.3.1 Dimensions
8.3.2 Technical data
8.4 E°SL3-036-…
8.4.1 Dimensions
8.4.2 Technical data
8.5 E°SL3-056…
8.5.1 Dimensions
8.5.2 Technical data
8.6 E°SL3-063…
8.6.1 Dimensions
8.6.2 Technical data
9 Technical data: E°SM3 motors (230 V)
9.1 General technical data (E°SM3 motors)
9.2 E°SM3-028…
9.2.1 Dimensions
9.2.2 Technical data
9.3 E°SM3-063…
9.3.1 Dimensions
9.3.2 Technical data
10 Technical data: E°SU3 motors (230 V)
10.1 General technical data (E°SU3 motors)
10.2 E°SU3-030…
10.2.1 Dimensions
10.2.2 Technical data
10.2.3 Torque characteristics
10.3 E°SU3-040…
10.3.1 Dimensions
10.3.2 Technical data
10.3.3 Torque characteristics
10.4 E°SU3-055…
10.4.1 Dimensions
10.4.2 Technical data
10.4.3 Torque characteristics
11 Technical data: E°SCL motors (48 V)
11.1 General technical data (E°SCL motors)
11.2 E°SCL-030...
11.2.1 Dimensions
11.2.2 Technical data
11.2.3 Torque characteristics
12 Technical data: E°SCX motors (48 V)
12.1 General technical data (E°SCX motors)
12.2 E°SCX-020...
12.2.1 Dimensions
12.2.2 Technical data
12.2.3 Torque characteristics
12.3 E°SCX-030...
12.3.1 Dimensions
12.3.2 Technical data
12.3.3 Torque characteristics
13 Connections
13.1 Power connections
13.1.1 E°SL, E°SM, E°SX, E°SY, E°SZ motors
13.1.2 E°SL3, E°SM3, E°SU3 motors
13.1.3 E°SCL, E°SCX motors
13.2 Feedback connections
13.2.1 E°SL, E°SM, E°SX, E°SY, E°SZ motors
13.2.2 E°SL3, E°SU3 motors, E°SL, E°SX motors
13.2.3 E°SCL, E°SCX motors
14 Decommissioning and disposal
14.1 Disassembly
14.2 Disposal
Versions
E°Motoren: Technischer Katalog - Januar 2026
E°Motors: Technical catalogue - January 2026
Show advanced options
Link to preview page in EDP
Link to file directly
User language settings (browser settings)
German
English
Newest version
:
E°Motoren: Technischer Katalog- Januar 2026
:
E°Motors: Technical catalogue- January 2026
This qr-code refers to shown link.
Read metadata
Generate preview images of pages
Generate links
Update in search index
Benachrichtigung nochmal versenden
Enter one or more users
Grant rights to a group
Prospect
Customer
Internal
Notify users about additional grants?
Send copy of notifications to me
Share
Grant access