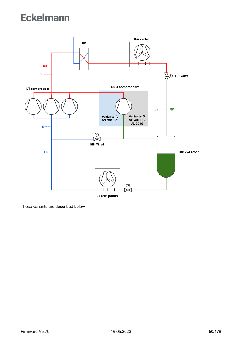
Exit fullscreen